Запасные части ЧТЗ Запасные части ЧТЗ
Петропавловск
Например:
Актобе
Алдан
или
Выбрать автоматически
Актобе
Алдан
Алматы
Алчевск
Архангельск
Астана
Астрахань
Атырау
Баку
Балашиха
Барнаул
Белгород
Бердянск
Бишкек
Владивосток
Владикавказ
Воркута
Воронеж
Горловка
Грозный
Донецк
Екатеринбург
Иваново
Ижевск
Иркутск
Казань
Калининград
Каменск-Уральский
Караганда
Каховка
Кемерово
Киров
Комсомольск-на-Амуре
Костанай
Краснодар
Красноярск
Красный луч
Ленск
Луганск
Магадан
Магнитогорск
Макеевка
Махачкала
Мелитополь
Минск
Мирный (Якутия)
Москва
Мурманск
Нерюнгри
Нижневартовск
Нижний Новгород
Нижний Тагил
Новая каховка
Новокузнецк
Новосибирск
Новый Уренгой
Норильск
Ноябрьск
Нур-Султан
Омск
Оренбург
Ош
Павлодар
Пермь
Петрозаводск
Петропавловск
Петропавловск-Камчатский
Псков
Ростов-на-Дону
Салехард
Самара
Санкт-Петербург
Саратов
Севастополь
Семей
Симферополь
Сочи
Ставрополь
Сургут
Сыктывкар
Тараз
Ташкент
Токмак
Томск
Тында
Тюмень
Ульяновск
Усинск
Усть-Каменогорск
Уфа
Хабаровск
Ханты-Мансийск
Херсон
Челябинск
Чита
Шымкент
Экибастуз
Энергодар
Южно-Сахалинск
Якутск
Ваш город
Петропавловск
Войти
Запасные части к тракторам на одном сайте
+7 (932) 303-00-10
+7 (932) 303-00-10
г. Петропавловск, ул. Ахременко, д. 15
Пн-Пт: 9:30-18:30 Cб-Вс: Выходной
Отправить заявку


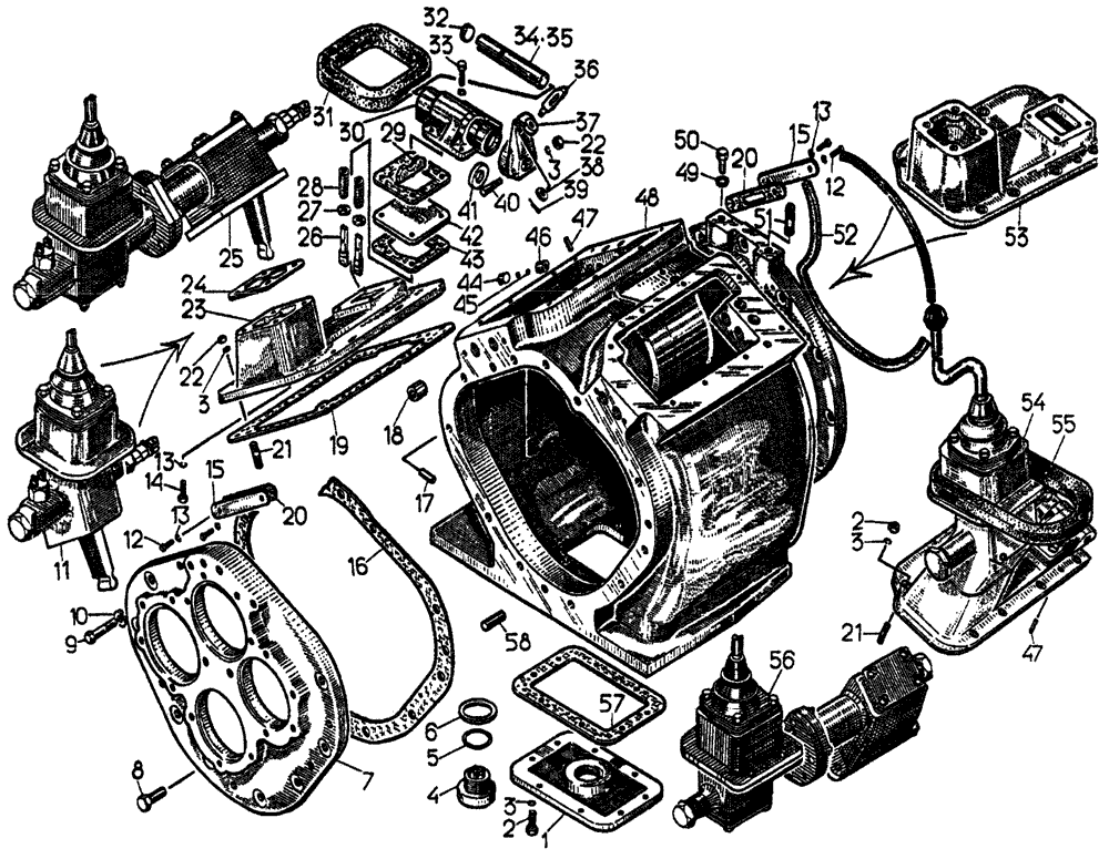
Корпус коробки передач с крышками и механизмами переключения на Т10М / Б10М


/
с НДС 20%
Описание
Корпус коробки передач Т10М с крышками и механизмами переключения
#Номер запчастиНаименование деталиКол-во в сборке
124-12-8Крышка1
2-Болт M10-6gx25.58.0198
3-Шайба 10 ОТ 65Г 0934
401483СППробка1
546588Кольцо1
640927СПКольцо1
718-12-182Крышка1
8700-28-2623Болт8
9-Болт М16х75.58.0191; 5 1
10-Шайба 16 ОТ 65Г 099
1118-12-178СПМеханизм переключения (диапазонов и направления движения)1
12-Болт M12-6gx30.58.0198
13-Шайба 12 ОТ 65Г 0931
1428558Болт8
1518-12-325Крышка4
16700-40-2227
700-40-2227-1
Прокладка1
17700-32-2197Штифт2
1820-12-87 1Втулка1
19700-40-7392
700-40-7392-1
Прокладка2
20700-40-5089-1Прокладка18
21700-29-2146Шпилька16
22700-30-2099Гайка
2318-12-329Крышка1
24700-40-5091
700-40-5091-1
Прокладка2
2520-12-132СПМеханизм переключения
(диапазонов и направления движения болотоходных тракторов)
1
2650-12-781Фиксатор4
2713339Кольцо4
2838327Пружина4
2950-12-780
50-12-780-01
Планка2
3015-12-157-01
50-12-316СП 2
Корпус1
31700-40-7221Уплотнение1
3213358-01Заглушка2
33-Болт M10-6gx30.58.0198
3450-12-778
50-12-778-01
Валик1
3550-12-779
50-12-779-01
Валик1
3613356Наконечник2
3750-12-777-01Рычаг (левый)1
50-12-777 Рычаг (правый)1
3831308-1Шайба2
39-Шплинт 2x25.0192
4050-12-523Стопор2
41-Манжета 2.2-22x40-11
4215-12-164Плита2
43700-40-2173
700-40-2173-1
Прокладка10
440280-1Заглушка2
45-Шарик Б 9,5-2002
4618-12-121
50-12-240СП 3
Втулка2
47700-32-2201Штифт10
4824-12-7
18-12-156СП 4
Корпус1
4940911 1Кольцо2
50-Болт М16х30.58.019 12
51700-29-2296Шпилька2
52700-40-4786Кольцо1
5318-12-328Крышка1
5418-12-177СПМеханизм переключения (передач)1
55700-40-7226Уплотнение1
5620-12-131СПМеханизм переключения (передач болотоходных тракторов)1
57700-40-3780-1Прокладка1
58700-32-2012Штифт3
1 Для коробки передач болотоходных тракторов.
2 Заказывать в сборе с поз.41.
3 Заказывать в сборе с поз.45.
4 Заказывать в сборе с поз. 7, 16, 58.
Корпус коробки передач с крышками и механизмами переключения